Navigation: MESYS Wellenberechnung > Eingabeparameter > 3D-elastische Bauteile > 3D-elastische Planetenträger
Parametrischer polygonaler Planetenträger
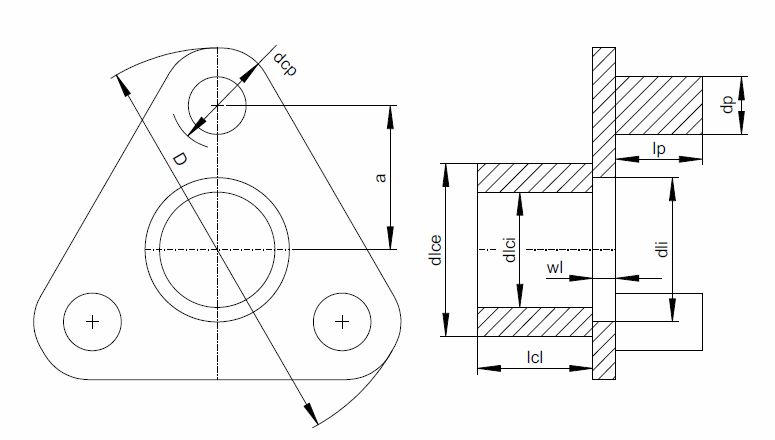
Die Geometrie des polygonalen parametrischen Trägers ist in der folgenden Abbildung dargestellt: