Navigation: MESYS Wellenberechnung > Eingabeparameter > 3D-elastische Bauteile > 3D-elastische Planetenträger
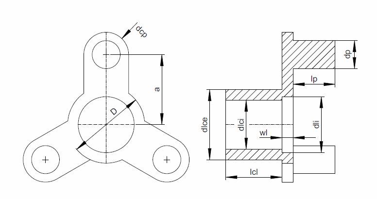
Parametrischer Planetenträger des Sterntyps
Die Geometrie des parametrischen Sternenträgers ist in der folgenden Abbildung dargestellt: